Ningbo Richge Technology Co., Ltd.
Ningbo Richge Technology Co., Ltd.
Продукты
Продукты
VBI-24 Цилиндр изоляции с фиксированным типом MV выключатель вакуумной цепи
  • VBI-24 Цилиндр изоляции с фиксированным типом MV выключатель вакуумной цепиVBI-24 Цилиндр изоляции с фиксированным типом MV выключатель вакуумной цепи
  • VBI-24 Цилиндр изоляции с фиксированным типом MV выключатель вакуумной цепиVBI-24 Цилиндр изоляции с фиксированным типом MV выключатель вакуумной цепи

VBI-24 Цилиндр изоляции с фиксированным типом MV выключатель вакуумной цепи

Model:VBI-24
Внутренняя вакуумная цепь VBI -серии VBI - это новое поколение интеллектуальных выключателей вакуумных цепи. Его живые компоненты, в том числе высокопроизводительный вакуумный прерыватель и верхний и нижний исходящий клеммы, инкапсулируются в терминалах эпоксидной смолы. Эта конструкция помогает предотвратить загрязнение на поверхности вакуумного прерывателя, повышая его изоляционные свойства, механическую стабильность и продлевая его срок службы. Механизм эксплуатации вакуумной цепи вакуумной цепи, установленной на боковой монтировании, используется пружиной для энергии хранения, который может работать с двумя способами, ручным или электрическим. Характеристики соответствуют GB1984-89, JB3855-96.<10kv Indoor High Voltage Vacuum Circuit Breaker General Technical Specifications>, Соответствующие положения стандарта IEC56. VBI-24 Внутренний вакуумный выключатель высокого напряжения представляет собой трехфазное AC 50 Гц. Номинальное напряжение 24-километрового внутреннего устройства , для промышленных и горных предприятий, электростанций и подстанций в качестве целей управления электрическим оборудованием и защиты, а также для частой работы места.

VBI-24 Цилиндр изоляции с фиксированным типом MV выключатель вакуумной цепи

   Серия VBI-24 Внутреннего выключателя вакуумной цепи высокого напряжения со встроенными полюсами представляет собой три фразы A.C.50 Гц оборудования для распределения электроэнергии в помещении с номинальным напряжением 24 кВ. Он используется для защиты и управления электрическим оборудованием в полях промышленности и горнодобывающих предприятий, электростанций и субстанции.

   Основной проводящей схемой этого типового вакуумного выключателя с помощью пружинного механизма-это встроенный полюс, который может значительно повысить надежность изоляции, механических и разрывных характеристик и действительно реализовать свободное и более длительное механическое и электрическое жизнь. Этот выключатель вакуума типа соответствует национальным стандартам и условиям стандарта IEC. Возможности достигает степени M-E2-C2.

   Продукт используется для многих видов распределительных устройств, таких как KYN28-24 (GZS1), и может быть фиксированная установка.

  VBI-24 Внутренний вакуумный выключатель высокого напряжения представляет собой трехфазное AC 50 Гц. Номинальное напряжение 24-километрового внутреннего устройства , для промышленных и горных предприятий, электростанций и подстанций в качестве целей управления электрическим оборудованием и защиты, а также для частой работы места.







Основная информация.


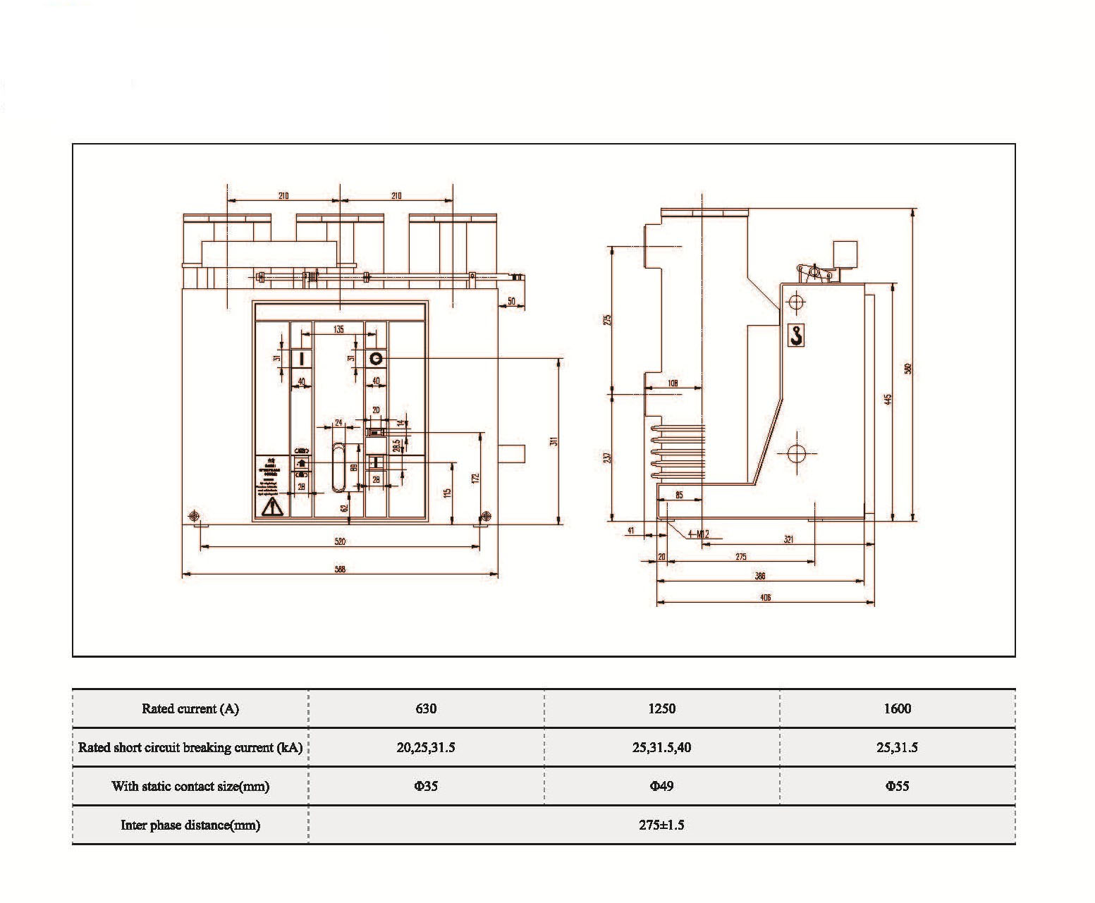
Технические параметры




Технические рисунки

Часто задаваемые вопросы

В: Могу ли я получить цены на ваши продукты?

A: Добро пожаловать. Пожалуйста, не стесняйтесь присылать нам запрос здесь. Мы ответим вам в течение 24 часов.


В: Могу ли я получить образец перед объемным заказом?

A: Да, мы приветствуем пример заказа на тестирование и проверку качества. Приемные образцы.


В: Можем ли мы распечатать наше логотип/ название компании на продуктах?

A: Да, конечно, мы принимаем OEM, тогда вам нужно, чтобы вы предоставили нам разрешение бренда


В: Принимаете ли вы настройку продукта?

A: Да, конечно, предоставьте конкретные чертежи или параметры, мы процитируем вас после оценки


Q: Какое время заказа?

A: Время выполнения заказа зависит от упорядоченных количеств, как правило, в течение 7-20 дней после получения платежа.


В: Каковы ваши торговые термины?

A: Мы принимаем Exw, FOB, CIF, FCA и т. Д.


В: Каков ваш способ оплаты?  

A: Мы принимаем T/T, Western Union, PayPal, безотзывник L/C при полезных условиях и т. Д.


В: Вы осматриваете готовые продукты?

A: Да, каждый шаг производства и готовой продукции будет проходить проверку от отделения QC до доставки. И мы предоставим отчеты об инспекции товаров для вашей ссылки перед отправкой


В: Как решить проблемы с качеством после продаж?

A: Сфотографируйте проблемы с качеством и отправьте нам для проверки и подтверждения, мы сделаем для вас удовлетворенное решение в течение 3 дней.




Фабрика


Сертификат




Горячие Теги: VBI-24 Цилиндр изоляции с фиксированным типом MV Выключатель вакуумной цепи, Китай, производитель, поставщик, завод, низкая цена, качество, последние продажи, передовые
Отправить запрос
Контакты
  • Адрес

    № 1083 Чжуншан Ист -роуд, район Иньчжоу, город Нинбо, провинция Чжэцзян, Китай

  • Электронная почта

    sales@switchgearcn.net

По вопросам, касающимся распределительного устройства низкого напряжения, изоляторов высокого напряжения, заземлителя высокого напряжения или прайс-листа, оставьте нам свой адрес электронной почты, и мы свяжемся с вами в течение 24 часов.
X
Мы используем файлы cookie, чтобы предложить вам лучший опыт просмотра, анализировать трафик сайта и персонализировать контент. Используя этот сайт, вы соглашаетесь на использование нами файлов cookie. политика конфиденциальности
Отклонять Принимать