Ningbo Richge Technology Co., Ltd.
Ningbo Richge Technology Co., Ltd.
Продукты
Продукты
Zn12-12 серия интегрированного переключателя столбца вакуумной схемы выключателя
  • Zn12-12 серия интегрированного переключателя столбца вакуумной схемы выключателяZn12-12 серия интегрированного переключателя столбца вакуумной схемы выключателя
  • Zn12-12 серия интегрированного переключателя столбца вакуумной схемы выключателяZn12-12 серия интегрированного переключателя столбца вакуумной схемы выключателя

Zn12-12 серия интегрированного переключателя столбца вакуумной схемы выключателя

Model:ZN12-12
Внутренняя вакуумная цепи Zn12-12 Внутренняя вакуумная цепь AC-это внутреннее оборудование из трех этапов AC 50 Гц, номинальное напряжение 12 кВ, которое ввело технологию от немецкой компании. Он подходит для области с всевозможными нагрузками и частой работой, и может использоваться для защиты и контроля промышленных и горнодобывающих, предприятий, электростанций и подстанций. Этот продукт соответствует соответствующим требованиям стандартов GB1984, JB3855, DL403 и IEC.

Zn12-12 серия интегрированного переключателя столбца вакуумной схемы выключателя

  Zn12-12 Внутренняя вакуумная цепь высокого уровня.

  Высокие выключатели в серии Zn12-это высоковольтное устройство в помещении с номинальным напряжением 12 кВ, 24 кВ и 40,5 кВ и трехфазным AC 50 Гц. Это внутренний продукт, разработанный путем введения немецкой технологии Siemens 3AF. Операционный механизм автоматического выключателя - это тип хранения энергии пружины, который может работать с помощью переменного тока или DC или вручную. Выключатель цепи имеет простую структуру, сильную пропускную способность, длительный срок службы и полные функции работы. И нет никакой опасности взрыва, и обслуживание простое. Он подходит для контрольного или защитного переключения систем передачи и распределения электроэнергии, таких как электростанции, подстанции и промышленные и горнодобывающие предприятия, особенно подходящие для разрыва важных нагрузок и частых мест работы. Форма установки автоматического выключателя в шкафу переключателя может быть либо фиксированным типом, либо выключаемым автоматическим выключателем типа. Этот продукт соответствует соответствующим стандартам, таким как GB1984, JB3855 и IEC62271-100 «Выключатель высокого напряжения переменного тока».


Преимущества:

1. В целом выключатель прошел оценку Министерства машин и Министерства электроэнергии в 96 августа, что означает, что качество абсолютно гарантируется.

Механизм выключателя цепи интегрируется с переключателем, а механизм привода привода специального хранения энергии пружины может управляться с помощью накопления энергии переменного тока и постоянного тока или управляемого вручную.

Благодаря простой структуре, сильной пропускной способности, длительным срокам обслуживания, полным функциям эксплуатации, отсутствием опасности для взрыва и легком обслуживании, этот автоматический выключатель подходит для управления или защиты системы передачи и распределения электроэнергии, такой как электростанция, городская энергосистема, подстанция и т. Д. Особенно подходит для разрыва важных нагрузок и мест с частой работой.


Функции:

1. Разрывная способность потушительной камеры дуги высока, тока переноса низкая, а электрический срок - длинный.

2. Планировка находится от спереди к спине, простой и компактной структуры, полной работы и легкого обслуживания.

3. Для структуры и установки их можно разделить на: горизонтальный фиксированный тип, наклонный фиксированный тип, подвижный тип среднего набора.






Основная информация.



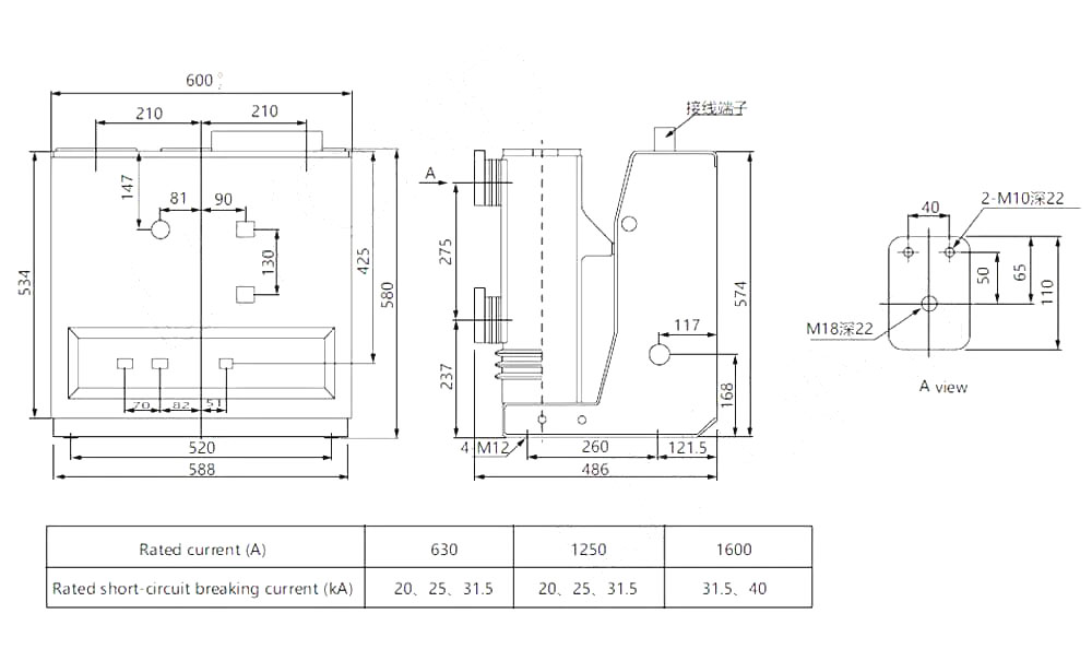
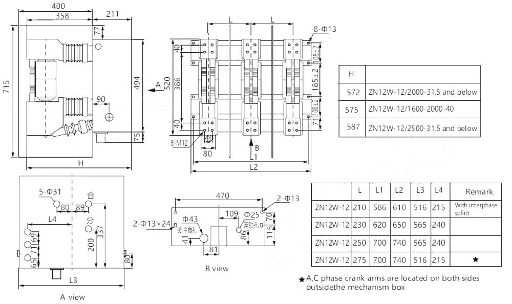
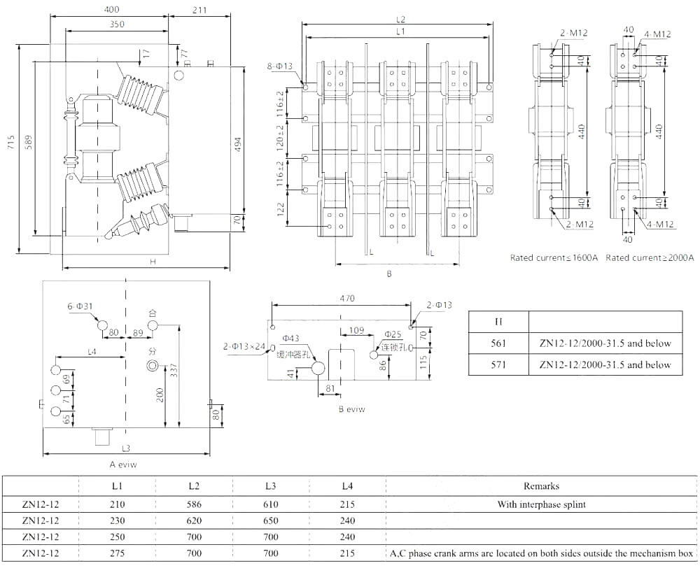
Технические параметры



Технические рисунки


Условия использования Zn12-12 интегрированного переключателя столбца вакуумной цепи1. Высота: ≤1000 м; (Высота прототипа может достигать 4000 метров)

2. Температура окружающей среды: самая высокая +40 ° C, самый низкий -25 ° C;

3. Относительная влажность: среднесуточная не более 95%, среднемесячно среднемесячно не более 90%;

4. Интенсивность землетрясения: менее 8;

5. Установка: нет пожара, опасности взрыва, нет коррозионного газа и нет места насильственной вибрации.

6. Пожалуйста, свяжитесь с производителем выключателя вакуумных цепей, если среда использования превышает вышеизложенное.




Часто задаваемые вопросы

В: Могу ли я получить цены на ваши продукты?

A: Добро пожаловать. Пожалуйста, не стесняйтесь присылать нам запрос здесь. Мы ответим вам в течение 24 часов.


В: Могу ли я получить образец перед объемным заказом?

A: Да, мы приветствуем пример заказа на тестирование и проверку качества. Приемные образцы.


В: Можем ли мы распечатать наше логотип/ название компании на продуктах?

A: Да, конечно, мы принимаем OEM, тогда вам нужно, чтобы вы предоставили нам разрешение бренда


В: Принимаете ли вы настройку продукта?

A: Да, конечно, предоставьте конкретные чертежи или параметры, мы процитируем вас после оценки


Q: Какое время заказа?

A: Время выполнения заказа зависит от упорядоченных количеств, как правило, в течение 7-20 дней после получения платежа.


В: Каковы ваши торговые термины?

A: Мы принимаем Exw, FOB, CIF, FCA и т. Д.


В: Каков ваш способ оплаты?  

A: Мы принимаем T/T, Western Union, PayPal, безотзывник L/C при полезных условиях и т. Д.


В: Вы осматриваете готовые продукты?

A: Да, каждый шаг производства и готовой продукции будет проходить проверку от отделения QC до доставки. И мы предоставим отчеты об инспекции товаров для вашей ссылки перед отправкой


В: Как решить проблемы с качеством после продаж?

A: Сфотографируйте проблемы с качеством и отправьте нам для проверки и подтверждения, мы сделаем для вас удовлетворенное решение в течение 3 дней.




Фабрика


Сертификат




Горячие Теги: Zn12-12 серия интегрированного выключателя столбцов вакуумная схема, Китай, производитель, поставщик, завод, низкая цена, качество, последние продажи, продвинутые
Отправить запрос
Контакты
  • Адрес

    № 1083 Чжуншан Ист -роуд, район Иньчжоу, город Нинбо, провинция Чжэцзян, Китай

  • Электронная почта

    sales@switchgearcn.net

По вопросам, касающимся распределительного устройства низкого напряжения, изоляторов высокого напряжения, заземлителя высокого напряжения или прайс-листа, оставьте нам свой адрес электронной почты, и мы свяжемся с вами в течение 24 часов.
X
We use cookies to offer you a better browsing experience, analyze site traffic and personalize content. By using this site, you agree to our use of cookies. Privacy Policy
Reject Accept